+40 756814610
info@piesebavaria.ro
Acasa
Contact
Autentificare
Inregistrare
0
Cosul tau
0.00 RON
Cos de cumparaturi
×
Nu aveti produse in cos!
×
Acasa
Contact
Autentificare
Inregistrare
0
Cos de cumparaturi
Schema Main wiring harness, duplicate
Acasa
Marci masini
BMW 3'
E36
318i
Main wiring harness, duplicate
Various switches
battery
Various relays
Body control units and modules
Door cable harness
Single components for wiper arm
Single parts for windshield cleaning
Single wiper parts
Single parts for head lamp cleaning
Various micro switches
Various additional wiring sets
Various plug terminals/cable grommet
Repair wiring for trunk lid
Wiring electr. seat adjustment front
Various relays
Various switches
Various additional wiring sets
Various switches
Wiring harness information
Wiring harness section, front
Cable harness sector rear
Relay, fanfare K2
Relay, blower K4
Relay, heated rear window K13
Relay, hazard-warning lights K16
Relay, A/C compressor K19
Relay, auxiliary fan stage 1 K21
Relay, high-beam headlights K46
Relay, fog light K47
Relay, driving lights K48
Relay, pump motor K125
Relay DME K6300
Relay, fuel pump K6301
Relay, load-shedding terminal 15 K9
Relay, secondary air pump K6304
Relay, door lock heating K54
Relay, emergency power siren K108
Relay, tailgate lock K117
Relay, hydraulic pump K5360
Relay, independent ventilation K450
Relay, ABS pump motor K75
Relay, oxygen sensor K6309
Relay, auxiliary fan stage 2 K22
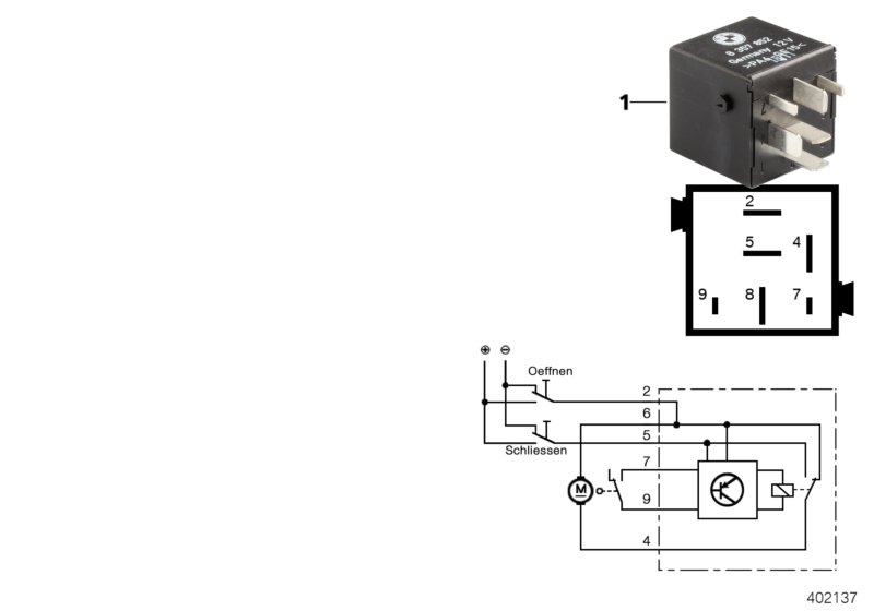
Relay, delay
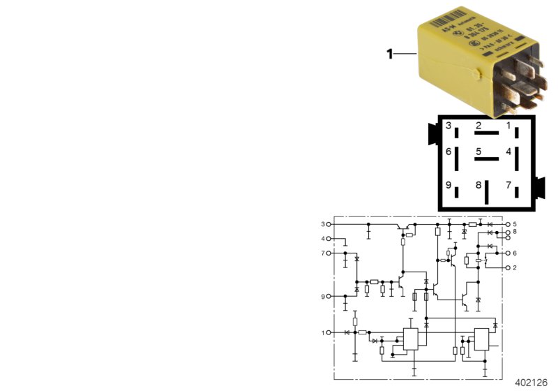
Relay w/ make function, violettblau
Relay, slide/tilt sunroof
Relay, ABS overvoltage protection K10
Relay, starter interlock
Relay, pickup delay, fan
Relay battery disconnection
Relay, slide/tilt sunroof
Relay, folding sliding sunroof, K45
Relay, hinged window, K113
Relay jumper - connecting switch
control units, modules, sensors, relays
Relay, hazard-warning lights K16
Relay, comfort K114
Relay, starter lock K1
Relay, starter lock module K1w
Relay, double relay module N21
Relay, auxiliary fan stage 1 K21
Relay, comfort K78
Relay, lighting, Scandinavia K200
Relay, rear fog light K49
Relay, wash/wipe module A64
Relay,sidelight right/no.plate light K25
Relay, daytime driving lights K26
Relay, cigarette lighter, Australia K31
Relay, crash alarm N17
Relay, crash alarm N17
Relay, oxygen sensor K5029
Relay, air pump K5029
Relay, starter identification K6307
Relay, air pump K6309
Relay, door lock heating K29y
Relay, starter lock K6324
Relay battery disconnection
Relay battery disconnection
Various switches
Cable covering/control unit support
Various wiring connectors
Various cable holders
Body control units and modules
Various relays
Various wiring connectors
Steering column switch
Single components for fuse box
EWS control unit/tr module/support
Horn
Cable covering
Rep. cable, airbag
Rep. cable, airbag
Plug terminal ELO not waterproof
Original BMW battery, filled
Circular connector / D 2,5 mm System
Various comb-type connectors
Rep. cable, airbag
Pin contacts ELO
Plug terminal ELO-Power
Various cable terminals
Cable-yarded material
Cable-yarded material
Various parts, wiring harness repair
Relais base
Double leaf spring contact
Contact system: Junior-Power-Timer
Contact system MQS
Jack SLK
Contact system,flat-spr.contact MDK4 2.8
Round socket system D 1.5 mm
Miscellaneous plugs and connectors
EWS control unit/tr module/support
Plug terminal ELO-Power
Relay jumper - connecting switch
Relay jumper - connecting switch
Repair kit, socket housing, 12-pin
Repair kit, socket housing, 3-pin
Repair kit, socket housing, 2-pin
Repair kit, socket housing, 2-pin
Repair kit, socket housing, 2-pin